产品详情
设备介绍:
热处理用水冷循环密封电动机在变频器的驱动下通过调频来实现不同的转速和扭矩,以适应负载的需求变化,满足热处理温度的工艺要求,电机绕组采用高分子绝缘材料及真空压力浸漆制造工艺以及采用特殊的绝缘结构,绝缘耐压和机械强度较高,足以胜任风机在高、低速运转及抵抗变频器高频电流冲击及电压对绝缘之破坏,具有宽范围恒转矩与功率调速特性,调速平稳,无转矩脉动。
风机的主轴和风叶由310S高温不锈钢制作,并经高温固熔处理,提高了风叶在高温及低转速高转速运转状态下的使用强度,从而提高了热处理工作效率及工作质量。
机体采用密封技术,全封闭,有效杜绝炉内气体泄漏,也杜绝了炉内水蒸气渗透到电机内部损坏定子线圈。确保风机连续长期平稳运行。
电机以低速启动,在炉温到达一定温度时,换高速运行,并在炉膛内形成强对流循环风,有效改善了炉膛内的保护气氛和炉温的均匀性。
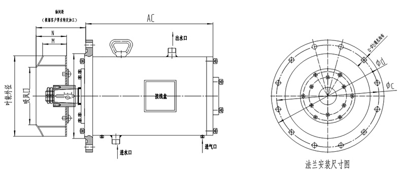
安装示意图:

详细的技术参数和安装尺寸沟通以后提供,本厂承接有特殊要求的热风循环风机产品,并可为用户设计及制造。
在线留言



